Una barandilla de seguridad es un elemento que tiene por objeto proteger a las personas frente a riesgos de caída fortuita al vacío. Se trata de un sistema de protección colectiva que permite que los operarios trabajen de forma segura en altura, ya sea en cubiertas, tejados o zonas elevadas.
¿Qué es un sistema de protección colectiva?
Se entiende por protección colectiva aquella técnica de seguridad cuyo objetivo es la protección simultánea de varios trabajadores expuestos a un determinado riesgo.
Específicamente, el apartado h del artículo 15 de la Ley 31/1995, de 8 de noviembre, de Protección de Riesgos Laborales, establece la prioridad de adoptar –dentro de las medidas a realizar respecto a la prevención de riesgos- medidas que antepongan la protección colectiva a la individual. Las barandillas de seguridad son una de las principales medidas de protección colectiva anticaídas.
¿Qué normativa regula las barandillas de seguridad fijas?
Depende del contexto.
Cuando lo que queremos es acceder a maquinaria o zonas de mantenimiento, a las que solo accede personal calificado, podemos hacer referencia a la norma UNE-EN ISO 14122-3:2017.
Si lo que queremos es proteger a las personas de caídas en lugares cuyo acceso no está restringido al personal de mantenimiento, (p.ej. todo tipo de lugar público) hacemos referencia entonces al Código Técnico de la Edificación, CTE.
Una vez comentada la normativa específica sobre barandillas de seguridad, cabe subrayar algunos conceptos claves para que lo tengamos todavía más claro:
Que la instalación de una barandilla de seguridad es obligatoria cuando hay riesgo de caída a partir de 500 mm de altura (UNE-EN ISO 14122-3). Aunque, el trabajo en altura se define como tal a partir de los dos metros, desde el medio metro de desnivel se pide instalar barandillas de seguridad para evitar accidentes.
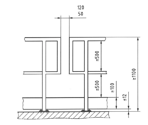
El diseño de una barandilla de seguridad debe tener, al menos, una altura de 1100 mm desde el nivel de paso y estar compuesta por lo menos de los siguientes elementos:
Pasamanos: barra horizontal superior de la barandilla donde agarrarse.
Listón intermedio: barra horizontal que proporciona protección extra. Es paralela al pasamanos.
Rodapié: elemento que se apoya en el suelo y que impide la caída de objetos que puedan caerse rodando.
Montante: elemento vertical que permite anclar las barras horizontales de forma perpendicular a ellas.
Tal y como nos indica la norma UNE-EN ISO 14122-3, las medidas para barandillas usada en zonas de acceso restringido a mantenimiento deben ser:
Máximo 500 mm de hueco entre el pasamanos y el listón intermedio.
Máximo 500 mm entre el listón intermedio y el rodapié.
Al menos 100 mm de altura del rodapié.
Máximo 12 mm de hueco entre el suelo y el principio del rodapié.
Al menos 1100 mm de altura de toda la barandilla desde el suelo.
La distancia entre montantes puede variar, siempre y cuando se mantenga una resistencia mínima de 0,3 kN/m a fuerza horizontal.
La instalación de una barandilla de seguridad es obligatoria cuando hay riesgo de caída a partir de 500 mm de altura, tal y como indica la norma UNE-EN ISO 14122-3:2017
Por otro lado, el Código Técnico de la Edificación (CTE), regula las cargas que tiene que aguantar una barandilla en todos los otros contextos de acceso, en la tabla que reportamos a continuación.
En la que:
con C3 se indican las “zonas sin obstáculos que impidan el libre movimiento de las personas (como vestíbulos de edificios públicos, administrativos, hoteles; salas de exposición en museos; etc.)”
con C4 se indican las “zonas destinadas a gimnasio u actividades físicas”.
con C5 se indican las “zonas de aglomeración (salas de conciertos,estadios, etc)”.
con E se indican las zonas de tráfico y de aparcamiento para vehículos ligeros (peso total < 30 kN)
con F se indican las cubiertas transitables accesibles sólo privadamente
Si una cubierta es accesible para uso público, se utilizará la categoría de referencia que tenga el punto desde donde se accede a ella.
Otras normativas relevantes
A través del Real Decreto 1215 se establecen las disposiciones mínimas de seguridad y salud para la utilización de los equipos de trabajo por parte de los trabajadores.
Además, las siguientes normativas contemplan la protección colectiva en los trabajos en altura. Protección en la que las barandillas de seguridad cumplen un papel fundamental:
Art.15: “(…) dentro de las medidas a realizar respecto a la prevención de riesgos hay que adoptar medidas que antepongan la protección colectiva a la individual (…)”.
Art.17 “(…) los equipos de protección individual deberán utilizarse solo cuando los riesgos no se puedan evitar o no se puedan limitar suficientemente por medios técnicos de protección colectiva o mediante medidas, métodos o procedimientos de organización de trabajo (…)”
“Los riesgos de caída en altura superior a 2 m., se protegerán mediante sistemas de protección colectiva (…) si por la naturaleza del trabajo no fuera posible la instalación de sistemas de protección colectiva, deberá disponerse de medios de acceso seguros, y utilizar el cinturón de seguridad con anclaje y otros medios de protección equivalentes”
“Si no pueden efectuarse trabajos temporales en altura de manera segura y en condiciones ergonómicas aceptables desde una superficie adecuada, se elegirán los equipos de trabajo más apropiados para garantizar y mantener unas condiciones de trabajo seguras, teniendo en cuenta, en particular, que deberá darse prioridad a las medidas de protección colectiva frente a las de protección individual y que la elección no podrá subordinarse a criterios económicos».
Todos estos factores a tener en cuenta deben ser analizados por expertos en barandillas de seguridad. Póngase en contacto con nosotros y le asesoraremos para su caso concreto.
Hable con nuestros especialistas sobre sus necesidades!